《摄大乘论》十一识的解释与十二缘起

1.1.八识扩展为二十六识

通常只讲八识,但《摄大乘论》讲到阿赖耶识之外有十一识:

“此中何者依他起相?谓阿赖耶识为种子,虚妄分别所摄诸识。此复云何?谓身,身者,受者识,彼所受识,彼能受识,世识,数识,处识,言说识,自他差别识,善趣恶趣死生识。此中若身,身者,受者识,彼所受识,彼能受识,世识,数识,处识,言说识,此由名言熏习种子。若自他差别识,此由我见熏习种子。若善趣恶趣死生识,此由有支熏习种子。”[37]

这段出现了十二种识,阿赖耶识和十一种是虚妄分别所摄识。阿赖耶识是其他识的种子,细分可以分为名言熏习种子、我见熏习种子、有支熏习种子。三类种子又生出三类现行识,第一类名言熏习种子生九种识:身识、身者识、受者识、彼所受识、彼能受识、世识、数识、处识、言说识;第二类我见熏习种子生自他差别识;第三类有支熏习种子生善趣恶趣死生识。三类种子生出十一种虚妄分别所摄识。这是种子生现行的图景,不过通常所说的现行是前七识,而这里是十一识。

世亲菩萨在《摄大乘论释》中解释十一种识:
“身识谓眼等五界,身者识谓染污识,受者识谓意界,应受识谓色等六外界,正受识谓六识界,世识谓生死相续不断识,数识谓从一乃至阿僧祇数识,处识谓器世界识,言说识谓见闻觉知识,如此九识是应知依止,言说熏习差别为因。自他差别识者,谓自他依止差别识,我见熏习为因。善恶两道生死识者,谓生死道多种差别识,有分熏习为因。
论曰:由如此等识,一切界道烦恼所摄。
释曰:一切界即三界、十八界,一切道即六道。于此界此道中有三烦恼,即惑、业、果报,此三亦名烦恼亦名为浊。俗谛不出此等法,即以前十一识摄此等法,以其同性故得相摄。
论曰:依他性为相,虚妄分别即得显现。
释曰:欲显虚妄分别但以依他性为体相。乱识及乱识变异,即是虚妄分别。分别即是乱识,虚妄即是乱识变异。虚妄分别若广说有十一种识,若略说有四种识,一似尘识、二似根识、三似我识、四似识识。一切三界中所有虚妄分别不出此义,由如此识即得显现。”[38]

身识是眼根、耳根、鼻根、舌根、身根等五根;身者识是染污识,即末那识;受者识是意根;应受识是色尘、声尘、香尘、味尘、触尘、法尘等六尘;能受识是眼识、耳识、鼻识、舌识、身识、意识等六识。还有世识、数识、处识、言说识、自他差别识、善趣恶趣死生识等六识。

按世亲菩萨的解释,十一识不止十一种。比如,八识中前六识算六种,而在十一识中归为能受识一种。如果也按八识的标准展开,则共有5+1+1+6+6+6=25识,再加上阿赖耶识,共二十六识。这二十六识除了包括全部八识,还多出来十八识,为六根、六尘和世识、数识、处识、言说识、自他差别识、善趣恶趣死生识。

1.2.四类“似*识”的解释

世亲菩萨又把二十五识归为四类,“略说有四种识,一似尘识、二似根识、三似我识、四似识识。”似尘识、似根识、似识识容易理解,对应着六尘、六根、六识。另外还应该有末那识识,也应属于似根识或似识识。六根识+六尘识+六识识+末那识识之外,剩下是似我识,有世识、数识、处识、言说识、自他差别识、善趣恶趣死生识,这些都与法我或人我有关,我应该是指法我和人我。

  • 似尘识: 色尘识、声尘识、香尘识、味尘识、触尘识、法尘识
  • 似根识: 眼根识、耳根识、鼻根识、舌根识、身根识、意根识
  • 似我识: 世识、数识、处识、言说识、自他差别识、善趣恶趣死生识
  • 似识识: 眼识识、耳识识、鼻识识、舌识识、身识识、意识识、末那识识

世亲在《唯识二十颂》的首颂中说(据真谛译《大乘唯识论》):

“于大乘中立三界唯有识。如经言,佛子三界者唯有心,心意识等是总名。应知此心有相应法,唯言者为除色尘等。

实无有外尘,似尘识生故。

犹如瞖眼人,见毛二月等。

大乘中立义,外尘实无所有,若尔云何见有外尘?为证此义故言似尘识生故,由识似尘现故,众生于无尘中见尘。为显此识故立斯譬,如眼有病及眼根乱,于无物中识似二月及鹿渴等而现。唯识义亦如是。是故三界实无外尘,识转似尘显。”[39]

这段又出现了“似尘识”。而且解释得很清楚,“识转似尘显”,就是说由识的运转好似有尘显现,起这个作用的识就是似尘识。所以,似尘识不是尘,而是第八识的种子聚集结构,它模拟着有外尘的效果,所以叫似尘识。更简洁的表述就是“模拟着有外尘的效果的识”。

同理,似根识就是“模拟着有六根的效果的识”。似我识就是“模拟着有世、数、处、言说效果的识,和模拟着自他差别、善趣恶趣死生效果的识”。比较令人困惑的是似识识,应该是“模拟着七识效果的识”,就是说,并没有七个独立的识,第八识的一部分模拟着七识效果,造成好像有七个识。这些模拟着某种效果的识,其实都是一些种子聚集结构。

1.3.意根不是第七识

第七识是染污意,是微细染污的,但属于识,与意识很接近。而经中讲到前六识根,没有讲第七识根。第七识为什幺没有根?它和前六识又是什幺关系?另外,第七识的梵文与意识很接近,综合这些,产生了第七识就是意根的说法。但在《摄大乘论释》的二十五转识中,第七识是身者识,意根属受者识,两者是明确区别开的,第七识是第七识,意根是意根。

意识是间断的,在闷绝和无梦睡眠的时候没有意识。而意根是连续的,一期生命中持续存在。就是说,有一些种子聚集结构在维持着意识生起的基础条件,并在一定条件下生起意识,这就是意根。意根要能支持生起复杂的意识活动,意识有多复杂,意根就要更复杂。末那识在持续存在和与意识生起有关这两点上与意根接近。但它只是恒审思量执我我所,仅此不足以作为意识生起的基础。所以,把七识和意根区别开更合理。说末那识是意根的一部分或许也能说通,但不能说第七识就是意根。

前六识除了根尘和合而生之外,还都被第七识染污,故第七识也参与到了前六识的缘起,但其作用与根尘有区别。前六识缘起其实需要三个条件,根、尘和第七识,有点像父母精卵加上神识而生人。在这个比喻中,神识是最重要的,它是这一期生命的前身。以此类推,根尘和第七识三者中,第七识最重要,它是前六识的前身,由它分化产生前六识。六根六尘是分化的外缘,要有外缘才能分化出前六识,所以,前六识有根尘。而第七识是直接由种子聚集而成的,不需要有根尘为缘。

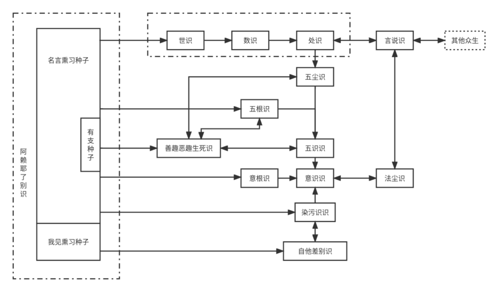
转识关系图

1.4.世识、数识、处识

二十五识除十八界和末那识之外还有六种,世识、数识、处识、言说识和自他差别识、善趣恶趣死生识。前四个与世间有关,后两个与众生和业报有关。

“世识谓生死相续不断识,数识谓从一乃至阿僧祇数识,处识谓器世界识,言说识谓见闻觉知识。”

处识是器世间识,这个意识比较清楚,其他都解释得太简略。理解的线索在于顺序。世识是生死相续不断,所以它不局限于一生,而是维持着无限相续,建立起演化的轴线。所以它跟时间有关,类似于系统时钟。

数识跟数字有关。考虑到它位于世识和处识之间,也就是在单线的时间轴到完整器世间中间,又跟数有关,据此推测,它是世间的数据结构。就好比网络游戏的场景,要先搭建一个框架,再在其上装饰渲染成为场景。数识应该就是建构世间的底层框架的识。这样解释,则“世识→数识→处识”正好是从简到繁,从底层到表层,次第建立世间场景的三个层次。

《日常世界的梦幻性及其解释》分析数术和预测的现象,认为世界可分为三层,最表层是物质世界,按科学规律运行。第二层是数术力量的世界,由一些抽象的、不太清晰的力量构成。它们按数术规律运行。第三层是各种剧本,它们保持着自身规定性,等待机会进入上面两层显现出来。第一步它们要进入数术力量的世界,为此要有调整、变形或细节修饰,修饰成符合数术力量的形式才能进入,进入这一层获得更大力量才有可能进入上一层。然后再进一步变形、修饰,转化成符合物质世界要求的形式,在物质世界显现出来。

数术力量是一些没有突出特征、没有细节规定的种子聚集共振,凝聚成一定结构,具有一定对称性。那篇文章在变现说平台讨论,所说的物质世界对应于模拟着外境效果的处识,数术力量世界对应数识,剧本对应其他种子。这样看来,数识也具有丰富的内容。

1.5.言说识

二十五识中最奇怪的是言说识。一提到言说,人们自然会想到语言。但语言是意识的功能,而言说识是与意识并列的另一个识,所以它的功能肯定不是语言。它起什么作用?为什么叫言说识呢?很显然,这个言说不是语言,而是深层心识之间的言说,是众生深层心识之间直接交流沟通,其作用可能跟众生境界的同步有关。

《唯识学对规律的对称性的解释》讨论了众生心识同步机制对规律的作用。简单说,要让大量众生保持同步,必须有一套高度和谐对称的规律。物理学论证,每种对称的背后都有一个不变量,对称的本质是不变,最大限度的和谐对称就是最大限度的不变。要让大量众生产生相同境界,这境界必须最大限度的不变,也就是和谐对称。

产生相同境界的具体过程如何?其中一定有众生心识之间的信息交流。直接传输全部处识的信息,传输量太大了,先用某种编码表示所指的东西,再传输较少信息就能达到同样效果。完成信息编码、相互传输和解码功能的识就叫言说识,因为它的作用跟语言完全一样。言说识所编码表示的当然是处识。

加入言说识的传输环节后,处识境界的规律还和言说识有关。因为言说系统本身不仅关系到个体心识,而且是众生相互交流传输中共同约定,磨合而成。传输要想高效,所用的传输编码体系,也就是语言,必须编排合理,要求传输的数据量小,但表达的信息量大。编码体系可能决定着众生能否转生于某个世界。众生必须有着和某个世界其他众生大体相同的编码体系,才能和它们互动,才能转生于这个世界。这又要求传输编码容错性大,便于学习,这样即使转生于此的众生原来的编码有所不同,也能大体保持同步,并尽快完成调整。

仅仅传输语言编排合理还不够,还必须对境界进行合理表示,使信息压缩比尽量高。而信息压缩的前提是境界本身有规律,然后才能利用规律进行信息压缩。境界本身的规律性越强,信息压缩比越大。和谐对称意味着不变性最大,意味着能更大限度的压缩,更高效的传输,也能支持更高效的传输语言。

名言并非仅仅描述影像固有的不变性,而是在把不变性赋予影像。就像魔法师用咒语驱动事物,名言驱动影像成为名言所表示的样子。而名言本身其实也是影像,只不过这个影像被用来表示另一个东西。名言固化影像,本质上是用表示关系在影像之间建立起联系。被众多表示关系捆绑、联结成体系后,影像系统就稳定了。名言就是捆绑时的结点和结点上的捆绑工具,影像系统决定需要怎样捆绑,而怎样捆绑也能反过来影响影像系统。所以,言说识和处识是一个互动的整体,需要言说进行调整时可以调整言说,需要境界进行调整时可以调整境界,最后调整出一套规律性强的境界和与之相适应的言说编码。

除了和处识之间的互动,言说识还要与其他众生的言说识互动,互动中形成最适合传输的编码体系,并反过来影响处识境界。这是一套庞大的共振系统,众生的言说识和处识直接参与,其他二十四识也会间接参与。众生境界同步机制则具体化为传输编码形成机制、言说表示的优化机制、名言对所指的反作用机制等等,这些机制共同结果是使处识的境界更有秩序,更有规律。

1.6.自他差别识和善趣恶趣死生识

《摄大乘论释》说:

“自他差别识者,谓自他依止差别识,我见熏习为因。善恶两道生死识者,谓生死道多种差别识,有分熏习为因。”

有支种子就是业种子,分为两类:引业和满业。引业决定有情转生于何道,满业使别报圆满,如使我们为男为女、为美为丑、为寿为夭、为贫为富等等,也就是决定了人一生的命运或生命蓝图。业种子生善趣恶趣死生识,就是说业种子要经由善趣恶趣死生识起作用,善趣恶趣死生识负责导演一期生命的善恶祸福,业种子被纳入其中,组织成生命蓝图,一生的经历大体会按生命蓝图走。

佛弟子常说的消除业障与善趣恶趣死生识有关。消除业障并不是消灭恶业种子。业障是恶业种子编入生命蓝图,将要现行,修行人遇恶业现行,修行会被打断,所以是障。通过忏悔、布施,可以改变善趣恶趣死生识,重编生命蓝图,推迟恶业现行,这就是消除业障。这样解释善趣恶趣死生识,会发现,它是众生最关切的识,有很多针对它的修行方法。

善趣恶趣死生识决定了众生生于某道以及具体的业报,也就是决定了一期生命的状态。自他差别识把自己和其他众生区别开,应该不局限于一期生命,而涉及到一些在轮回中不变的、更根本的特征。自他差别识应该对末那识有支持作用,自他差别识提供自他差别的依据,《成唯识论》说末那识恒执第八识见分为我,如果不用见分的说法,末那识可能是执自他差别识为我。

1.7.转识关系图

搞清楚第七识与六根、六尘在六识缘起中的关系,世识、数识、处识、言说识的关系,还有自他差别识和善趣恶趣死生识的关系,则阿赖耶识为种子转起二十五识的关系就清楚了。大致有如图这样的层层依存、辗转支持的关系。

这张图是讲二十五识的生起,除了三类种子生二十五识,还有二十五识相互为缘生起的关系。主要是单向的生起关系,但也包括了少数循环关系。第一,处识→言说识→处识,这个循环反馈起到了固化处识的作用。第二,处识→五尘→五根→五识→意识→法尘→言说识→处识,这个循环也起到了加强处识的作用,且有意识参与,意识可以通过这个循环刻意影响处识。

AI解释:

好的,这个图表非常精妙地展示了唯识学中关于“种子”的分类体系,特别是“名言种子”和“我见种子”这两大根本习气。我们可以将其理解为我们内心世界(阿赖耶识)中,一切现象和执著得以生起的潜在能量或编程代码。

整个图表的核心是阿赖耶了别识(即阿赖耶识),它像一个巨大的仓库,储存着以下两大类“种子”(习气):


第一大类:名言习气种子

这是最根本的种子,是我们能够认知和言说一切现象的基础。它又分为两类:

1. 有支种子
“有支”指的是导致在三界中轮回存在的业力种子。它构成了我们感知到的“世界”和“生命”的基本框架。图表中“世识”、“数识”等都属于这个框架的组成部分。

  • 表境:认知对象世界的种子。
    • 世识:时间感(过去、现在、未来)。
    • 数识:数量感(一、二、多等)。
    • 处识:空间感、方位感。
    • 言说识:语言、概念、名相的产生。
    • 其他众生:感知到自身之外还有其他有情众生。
    • 五尘识:感知色、声、香、味、触这些外在现象种子的总称。
  • 表根:认知工具(感官)的种子。
    • 五根识:眼、耳、鼻、舌、身这些感官功能生起的种子。

2. 无支种子
这部分种子不直接构成轮回的支分,但它们是生命在轮回中具体形态和认知活动的直接显现。

  • 表境
    • 法尘识:意识所缘的法尘,即思想、概念、记忆等。
  • 表根
    • 意根识:末那识的种子,其特性是恒常思量,执阿赖耶识为“我”。
  • 表识
    • 前六识:眼识、耳识、鼻识、舌识、身识、意识。这些是了别具体对境的识。
  • 表果
    • 善趣恶趣生死识:决定投生到善道、恶道等不同生命形态的种子。

第二大类:我见习气种子

这是最关键、最根本的烦恼种子,是产生一切痛苦的根源。它渗透在以上所有的认知中。

  • 染污识识:特指染污的末那识。它恒常不断地执著阿赖耶识为“自我”,产生一种与生俱来的、深层的自我感(我执)。
  • 自他差别识:由于有了“我”这个根本执著,自然就划分出了“我”与“他者”的二元对立。这是一切分别、贪嗔、执著的直接来源。

总结与核心逻辑

这个图表清晰地描绘了“万法唯识”是如何运作的:

  1. 根源:一切认知和存在的根源是阿赖耶了别识,它含藏了一切种子。
  2. 世界建构名言种子(特别是“有支种子”)像一套底层操作系统,构建了我们所认知的时间、空间、语言、他人等世界基本框架。
  3. 自我建构我见种子(以“染污末那识”为核心)在这个世界框架上,强行安装了一个“我”的幻觉程序,产生了坚固的自我感。
  4. 现象生起:基于这个“我”,通过“五根”、“五尘”等条件,前六识(眼识至意识)开始活动,了别具体的境像,并伴随着“自他差别”的分别,从而产生善、恶、无记等各种业,形成新的种子,储存回阿赖耶识,构成无尽的生死轮回。

简单来说:

  • “名言种子” 创造了我们看到的 “电影画面” (山河大地、你我他)。
  • “我见种子” 让我们坚信自己是 “电影中的主角” ,并为之欢喜忧愁。
  • 而修行,就是要认识到这一切都只是 “识”的放映(唯识所现),从而从这场梦中醒来。

这个图表是理解唯识学“转识成智”理论的一个非常棒的切入点。

十一识与八识的关系

1.8.似根识、似尘识、似我识都属阿赖耶识

《摄大乘论》讲“阿赖耶识为种子虚妄分别所摄诸识”,故四类似*识应该属于种子所生的现行。但八识中只有前七识属于现行,二十五识里有前七识,其他十八识又不可能属于现行。比较合理的解释是,七、八两识有圣言量支持,所以必须按八识划分。《摄大乘论》用“所知依”一品来论证七、八两识存在,可见确定一种识多么慎重。在如此严格的标准下,只能讲八识,不能讲二十六识。另外十八识怎么办?只能归入某一识。不可能归入前六识,因为前六识都有明确界定。从它们是现行识的角度可以归于第七识,但第七识的功能明确且狭窄,很难把如此丰富的功能都归入第七识。最后就是归入第八识,这样从它们是现行识的角度看有点矛盾,但综合看是最合理的方案。

种子与现行不是截然二分的,可以有一个种子到现行的过渡状态,过渡状态的划分没有那么绝对。按较低标准,可以说不是种子的都是现行,《摄大乘论》讲的二十五现行识用的就是这个标准。如果按高标准,可以直接觉知到的才是现行,只有前六识属现行,第七识都不属现行,甚至前六识也只有那些可觉知的意识活动属现行,不可觉知的潜意识活动不属现行。这个标准又太高。这个标准可以适当扩展为,与可觉知的意识活动直接关联的也属现行,这样可以把潜意识、法尘和第七识都包括进来。

去掉前七识,其他十八识只能作为种子的聚集而归入阿赖耶识。这个逻辑也讲得通。事实上,世亲菩萨在《唯识三十颂》中也是这样分的,第三颂说阿赖耶识的行相为“不可知执受处了”。不可知是不可直接觉知,在觉知范围之外;执受有二,种子及根身,根身对应六根识;处是处所,即器世间,对应处识。“不可知执受处了”合起来就是不可觉知的种子、根、器世间了别识。十七识中,除六根和处之外还有十识,以理推之也可归入阿赖耶识。还可以这样理解:五尘识和世识、数识、言说识可摄于处,自他差别识和善趣恶趣死生识可摄于根身,这样就可以说《唯识三十颂》把十七识全部摄于阿赖耶识了。

由于根了别识和处了别识都被归入阿赖耶识,所以后世唯识学认为根、境属于八识相分。但这样讲没有区分清楚根识、处识与根、境,根识、处识可归入八识,作为八识的一部分,但不能说是八识相分。

1.9.“不可知执受处了”的解释

唯识三十颂中“不可知执受处了”一句是新义唯识成立变现说的依据。《成唯识论》解释“不可知执受处了”一句时说,“此识行相所缘云何,谓不可知执受处了。了谓了别,即是行相,识以了别为行相故。处谓处所,即器世间,是诸有情所依处故。执受有二,谓诸种子及有根身。”[40]即以种子根身为执受,器世间为处。但不可知解释比较牵强:“不可知者谓此行相极微细故难可了知。或此所缘内执受境亦微细故外器世间量难测故名不可知。”[41]内执受的种子根身可以说行相极微细故难可了知,而外世间怎么能说难可了知呢?说“难测量故不可知”有些牵强。

由于根了别识和处了别识都被归入阿赖耶识,可以不严格地说,根身和器世间都属于阿赖耶识。这里所谓的“根身”和“器世间”其实都是种子,所以是“不可知执受处”。这部分种子比较特殊,是直接引生当前知觉的,其作用相当于外境和根身,所以要特别说明。这样同时也解释了外境。

这样解释不仅与《唯识三十颂》的颂文完全吻合,而且也符合《唯识二十颂》中以种子为根的观点,符合世亲菩萨的一贯思想。

十一识是十二缘起的硬件

十一识是十二缘起

2.1.独立影像聚集

《十二缘起的唯识古义阐释(一)》从影像演化的角度解释十二支。行是最原初的影像;识加入了主体,是按主体视角组织的影像;名色再加入名言表示,使影像稳定有规律;六入是影像分成六种,并被理解为来自外部;触是被改造成符合五根接触外境模式的影像,被理解为感觉。受、爱、取是三种心所,受加入苦乐标准输出苦乐判断;爱在苦乐基础上产生求合求离欲;取是认为有外境。有是在取基础上建构的外境模型;在这个模型中才有生死,还原到影像层面只有影像变换。

十二缘起并非流水线式的逐级加工渐变,而是一次次创造性重构。每一级都以上一级影像为缘,再加入新的因素,产生新一级影像。比如,在感觉基础上建构认知模型,认知模型是意识创造的,它独立于感觉,与感觉同时存在。同理,每一级新影像也独立于上一级影像,两者同时存在。所以,行、识、名色、六入、触、有等影像都是独立的影像聚集,每一级都自行延续,并保持稳定。如果是这样的影像聚集,那它们就不仅仅是影像,而要有对应的载体。

2.2.十二支都是心识活动

用影像解释十二支缘起有三个缺点:第一,无明、受、爱、取三支不是典型的影像,更像是意识活动。第二,还原方法最终总要还原到一种不可还原的存在。识、名色、六入、触、有等支可以说是层层加入约束条件的影像,可以层层还原,但行就不能再还原了。所以,行不能仅仅理解成影像,必须有载体,载体还是意识活动。第三,如果各支都是独立的影像聚集,各级影像同时存在,自行延续,并保持稳定,那它们也不能仅仅理解为影像。

所以,把各缘起支解释成意识活动更合理,这样可以统一解释十二支。按意识活动解释,无明、受、爱、取本来就是意识活动,识、名色、六入、触、有、生、死则是承载着相应影像的意识活动。影像转换也是心识的转变。

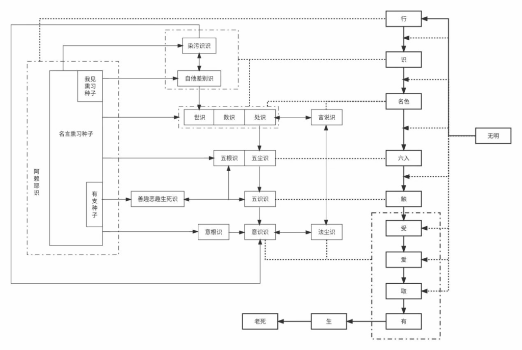
2.3.用十一识解释十二缘起

十一识展开说有二十五识,前七识外的十八识都是种子聚集结构。而行、识、名色、六入、触、有等支都是独立延续的影像聚集,与前者相似。仔细分析,可以一一对应。

根尘和合而生识,讲触的时候又说根尘和合而生触,所以触支就是识,对应六识识。触以下的受、爱、取是意识的心所,有是外境模型,都属于意识识和法尘识。

触以上各支,六入支对应六尘识和六根识,六尘识完全符合对六入的解释——影像分成六类,并被理解为来自外部。六根与六尘相对,也可摄于六入支。名色支的名对应于名言识,色对应处识。世识、数识、处识依次生起,前两者最后都体现在处识中,可摄于处识,即色对应于世识、数识、处识。

识支可以指处识,即没有被名言识固化的处识。但识支最重要的特征是建立主体并以主体视角组织影像,所以识支和主体有关。十一识中与主体有关的是“自他差别识”和“染污识识”,所以识支包含自他差别识、染污识识、世识、数识、处识。行支就是十一识以外的阿赖耶识种子。如下图。

此图比前一图略有调整。为配合十二缘起,把染污识识和自他差别识调到了最上边,突显了染污识识和自他差别识的特殊性。加了一条自他差别识到世识的线。因为“世识谓生死相续不断识”,要先有主体,然后才有生死相续不断,所以自他差别识应该是世识的基础。按此理解,模拟外境的起点是建立主体,然后以主体的视角建立时间,进而建立空间和境界。

图中染污识识和意识识之间的连线很长。如果把整张图画在圆筒上,染污识识和意识识就相邻了。另外,识支和入胎有关,而入胎与意识有关。把图画在圆筒上,染污识识和意识识相邻,识支和意识识接近,这样可能更符合真实情况。

无明和其他各支都有联系,如果把圆筒改成球形,十一识或十一支画在赤道上,无明画在南极,可以表现这种关系。种子生十一识,故北极可以画阿赖耶识种子。这样可以把几种关系都展示出来。

AI解释:

好的,这张图非常深刻地展示了唯识学十二缘起的结合,它解释了生命轮回的根本机制以及“我执”是如何在其中运作的。

这张图可以看作是前两张图表的“动态流程版”,它描述了从“无明”到“老死”这一生死轮回链条,其内在的驱动力正是阿赖耶识中的“名言种子”和“我见种子”。

为了清晰理解,我们可以将图表分为纵向的十二缘起支横向的种子分类


核心框架:十二缘起

图的左侧和中间是佛教的核心教义——十二缘起,它描述了生命流转的因果链条。我们从下往上看(从“老死”逆推至“无明”),是寻找痛苦根源的“流转门”;从上往下看(从“无明”到“老死”),是生死相续的“还灭门”。

为了理解方便,我们从上往下看这个循环:

  1. 无明:轮回的起点。在这里,特指不了知“万法唯识”的实相,从而产生两种根本妄执。
  2. :由无明驱动的业力行为,这些行为会留下潜藏在阿赖耶识中的能量,即“种子”。在这里,“行”就具体化为名言习气种子我见习气种子的积累。
  3. :这个“识”特指投生那一刹那的“结生识”,也就是承载着所有种子的阿赖耶识
  4. 名色:投生后,在母胎中身心(名:精神;色:物质)开始发育。这对应了由种子显现出的具体生命形态和认知框架(世识、处识、五根、五尘等)。
  5. 六入:眼、耳、鼻、舌、身、意六根发育完备,具备了感知外境的能力。
  6. :根、尘、识三者和合,产生接触。
  7. :因接触而产生的苦、乐、舍等感受。
  8. :对于乐受产生贪爱,对于苦受产生憎恨(嗔是另一种形式的执著)。
  9. :强烈的贪爱驱动身心去执取、占有。
  10. :因为“取”而造作新的业力,形成导致未来再次轮回的“业有”(新的种子)。
  11. :基于现有的业力(种子),未来世再次出生。
  12. 老死:有生就必然有老、死等一切苦恼。

内在驱动力:两类种子

图表将十二缘起的每个环节与阿赖耶识中的种子对应起来,揭示了轮回的内在心理机制。

1. 我见习气种子(轮回的“灵魂”错觉)

  • 无明 的核心就是 “我见”
  • 这个我见具体表现为 “染污识识”(即末那识),它恒常执阿赖耶识为“我”。
  • 因为有“我”,就自然产生了 “自他差别识”,这是一切分别、爱憎的根源。
  • 它们贯穿了整个轮回过程,是“爱”、“取”等烦恼的直接源头。

2. 名言习气种子(轮回的“世界”框架)

  • 它们是构成我们经验和认知世界的基本元素。图表将它们安立在了“名色”和“六入”阶段,因为这是生命形态和认知能力具体显现的时候。
  • 表境世识(时间)、数识(数量)、处识(空间)、言说识(语言)、五尘识(外在现象)。
  • 表根五根识(感官功能)、意根识(末那识)、意识识(分别意识)。
  • 表果善趣恶趣生死识(决定投生何处)。
  • 表识五识识(前五识的功能)。

总结:图表的完整逻辑

这张图描绘了一个完整的、自我强化的循环:

  1. 起点:源于无明(不认识唯识实相)。
  2. 驱动:无明生起我见(执著有一个“我”)和名言戏论(执著外在实有的法)。
  3. 存档:这两种妄执通过身口意行为(行),在阿赖耶识中熏习成种子
  4. 显影:这些种子在因缘和合时,显现为具体的生命形态(名色)、认知能力(六入)和外在世界()。
  5. 纠缠:在这个由种子幻化的身心世界中,根、尘、识接触()产生感受()。
  6. 强化:在“我见”的操控下,对感受产生贪和执,从而造作新的业。
  7. 闭环:新的业力又作为新的种子()储存回阿赖耶识,导致未来的再次老死

这个循环周而复始,唯有通过修行,破除“无明”,看清“我执”和“法执”都是基于阿赖耶识中种子的显现(唯识所现),才能从根源上切断这个链条,实现生命的解脱。

这张图是理解唯识学“转依”理论(转变阿赖耶识中的种子)的极佳蓝图。

2.4.完美的外境知觉如何生起

知觉生起过程可分为三段。第一段模拟外境效果,第二段模拟感觉效果,第三段建构认知模型。

第一段有世识、数识、处识、言说识参与,世识维护最基础的时间顺序,数识建起外境的底层框架,处识增加细节达到可以模拟外境的程度,言说识使其稳定、有规律。模拟外境不需要精致到与认知中的外境一样,后面还可以细化。

第二段有五尘识、五根识、五识识参与,模拟感觉效果。五尘识根据处识信息生成五种信息,五根识再把它们转化成五根视角的信息,最后生起五识。这一过程中可以继续丰富细节,使五识尽可能接近有外境的效果。

第三段有意识识和法尘识参与。五识信息进入意识,上升到可觉知的范围,这一过程中可以继续把五尘信息中的瑕疵过滤掉,呈现出完全符合有外境的知觉。如果仍不完美,建构认知模型的过程中可以继续过滤,对异常知觉视而不见。最终生起完美的外境知觉,完美实现自我欺骗。

与十二缘起对比,第一段对应识和名色,第二段对应六入和触,第三段对应受、爱、取、有。第一段十一识讲得比较细,第二段两者基本相同,第三段十二缘起讲得细。详细解释第三段需要结合十二缘起与受、想、思、执取等心所进行分析。

2022年3月16日星期三 从《了别识缘起》中抽出解释十一识的一段独立成篇
2022年3月22日星期二 增加用十一识解释十二缘起

这篇文章写的很晚。2021年写《了别识缘起》时讨论到《摄大乘论》的十一识,发现十一识可以用来解释知觉如何生起,而且与十二缘起有对应关系。今年整理汇总时很自然的把这部分抽出来放在这一章,又经过梳理和挖掘,发现十一识可以解释识、名色、六入、触等缘起支,这样就抽象的十二缘起落实到了具体的识。所以本文接在《十二支缘起的唯识古义阐释(一)》之后。

[37]CBETA 2022.Q3, T31, no. 1594, pp. 137c29-138a7
[38]CBETA 2022.Q3, T31, no. 1595, pp. 181c10-182a1
[39]CBETA 2022.Q3, T31, no. 1589, pp. 70c24-71a5