现行循环就是集和习
无明缘行的现行循环解释
1. 现行循环属集谛
1.1. 集谛讲的是增上缘缘起
净土宗有“带业往生”一说,说修净土不需要把无始以来的恶业全都消掉,带着恶业也能往生,一旦往生就出离轮回,解脱生死。这种说法,难免让人产生疑问,其他法门必须把业消完才能解脱生死吗?。其实,阿罗汉也不需要消业就能解脱生死。
《杂阿含经八九三》,“世尊告诸比丘:有五种种子生。何等为五?谓根种子、茎种子、节种子、坏种子、种种子。此诸种子不断、不破、不腐、不伤、不穿坚,新得地界,不得水界,彼诸种子不得生长增广;得水界,不得地界,彼诸种子不得生长增广;要得地界、水界,彼诸种子得生长增广。如是业,烦恼、有、爱、见、慢、无明而生行;若有业而无烦恼、爱、见、无明者,行则灭。”[2]
植物种子不断、不破、不腐、不伤、不穿坚,再有土壤和水,就会生长成植物;有土壤没有水不能生长,有水没有土壤也不能生长。同理,有业又有烦恼、有、爱、见、慢、无明,就会生行、识、名色、六入处、触、受、爱、取、有、生、老死;有业但无烦恼、有、爱、见、慢、无明,行、识、名色、六入处、触、受、爱、取、有、生、老死则灭。
这段经文说得很明白,生死轮回既需要有业种子为因,还需要有烦恼、有、爱、见、慢、无明为缘,有因有缘才有生死,只有因没有缘不会有生死。集谛就是讲生死的缘起过程,相当于种子得到土壤和水份而发芽、生根、长叶、生长的过程。这属于增上缘缘起,把这个过程搞清楚、切断关键条件,植物就长不起来了。小乘的总战略就是切断增上缘缘起的关键环节,从而解脱生死。这需要一定能力和方法,获得和掌握之后,一生就能搞定,以后就不再受生了。佛世比丘常常有人几天搞定。如果要消尽恶业才能脱生死,那么无始以来的业力一生是不可能消尽的,更不要说几天了。极端情况如鸯掘摩罗杀了999个人,如果要把杀业消完才能解脱生死,那他这一生根本没有机会,但实际上他不久即证阿罗汉果。
1.2. 现行循环综合了集与习的意象
读过《阿含经》就知道,佛在说法时通常是以苦、集、灭、道四谛的框架讲说。每个部分都有丰富的内容,佛对不同人的具体讲法会有不同,但《阿含经》阶段都是按四谛框架讲的。苦是现状,集是原因,灭是目标,道是方法。四谛构成一个逻辑完整的体系。《阿含经》的内容大部分都可以纳入这个体系。
四谛中苦、灭、道三谛都容易理解,最难理解的就是集谛。可以确定,集谛讲的是增上缘缘起,是讲种子生现行的原理和过程,搞明白这些才能找出切断种子生现行的方法而解脱生死。集有聚集、密集等意思,标准解释说集谛讲“苦之集”,即苦是怎样产生的。这样解释说得通,但没有具体内容,基本等于没有解释,也谈不上对修行的指导,还需要更深入的理解。
读过较多佛经的人都知道“苦习尽道”,而且知道这个词出现频率很高,比“苦集灭道”高得多。其中,苦谛和道谛说法一样。尽对应灭,意思也接近。唯一难解的是习,“习”和“集”的意思差异太大,怎么会是同一个词翻译过来的?这两个意思怎么能联系到一起?实在想不明白。习是习惯,加入这个意象后就不能用“苦之集”来解释了。所以,虽然知道“苦习尽道”是“苦集灭道”的另一种译法,且其出现频率比“苦集灭道”高,但各种佛教读物从来不提这种译法,只讲“集”。这样做会错过深入理解的机会。
佛经往往只从外延角度解释名相,不定义内涵。但读多了发现,其实也不是完全不解释内涵,名字本身就是简略的解释。所以,两种译法等于两种解释,为深入理解提供了机会。所以,解释集谛的方向应该找到一种能同时融合“集”和“习”两个意象,又能解释苦的生起的解释。现行循环正好满足这些条件。
现行循环在种子缘起现行的过程中处于核心位置,故现行循环属于集谛。现行循环吸收众多种子形成复杂的了别循环,故本来就有聚集、密集的意象。而现行循环按照固定轨道一圈一圈转,持续稳定,就像人按习惯日复一日做同样的事情一样,这又符合习的意象。集和习两种意象可以看成对其内涵的界定,现行循环符合这一内涵。
集谛讲苦之集,苦是如何生起的。下面从现行循环的角度解释苦是如何生起的。
现行循环是巨大的情结
2. 情结比喻
2.1. 情结是小型的现行循环
还有一个同时满足聚集、习惯、循环等意象的东西,是心理学上所说的情结。结是死扣、死循环,就是思维在某一点上形成死循环,掉在里面出不来。在错误的轨道上循环重复,这是习;思维像被禁锢在一个无形的空间里转来转去,运行轨道密集成一簇,可称为集。所以结同时含有习、集和循环的意思。
情结的情字是情绪的情,涉及深层意识活动。理性思维比较明晰,但比较表层。深层意识不那么理性,靠本能和直觉推动,情绪是深层意识的一种。深层意识也是一种思维,而且有一定的学习能力,可以慢慢改变。但它力量强大而灵活不足,学习和调整很慢,大多数时候是按惯性运转,也就是被习惯推动,这也是习。
心理学上的情结,情况严重时会让人产生幻听幻视,类似现行循环产生的世间幻觉,但规模小得多。所以,情结跟现行循环的机制类似,但现行循环的规模更庞大,涉及更深层次的意识,产生的幻觉也更真实。可以说,情结就是小型的现行循环,现行循环就是巨大的情结。
2.2. 情结是心理疾病
情结,每个人或多或少都有,严重到一定程度就成为心理疾病,甚至产生幻听幻视。在不严重的时候,也会有一些异常行为,别人看得很清楚,但他自己意识不到。深入了解,还会发现他陷入了某种不合理的思维,旁人看得出来有问题,心理医生还能给出详细的诊断。所以说这是一种心理疾病。
2.3. 情结以认知错误为基础
理性思维是自洽的,自洽意味着经过不同路径会达到相同的结果,不会出现矛盾。这样整个系统就能顺畅运转下去。形成死结一定有认知错误,自己意识不到,每当遇到某种情况,总是做出同样选择,沿着错误的路走下去。错误最终会造成矛盾,矛盾则表现为苦果。由于意识不到错误所在,所以,人一次又一次地进入同一个模式,在错误途径上循环不已,持续产生苦果。
陷入同样错误的典型例子是考题,老师们都知道,错误是有规律的,一道题一般来说只有几种错法,错出新花样的情况很少。出考题的人都知道学生容易犯什么错误,想增加难度就故意在容易错的地方出题,这就是所谓的“考点”。还有人系统研究和利用常见错误,误导人接受错误结论,这就是诡辩术。诡辩术利用的都是人们容易犯的错误,被误导了也不容易发现,乃至明明知道结论是荒谬的,但就是发现不了论证过程的错误。
2.4. 情结是多种错误的聚集
在整个系统没有矛盾、顺畅运转的情况下,单独出现一个错误会立刻造成明显的阻碍,很容易被发现和清除,但有多个错误就不一样了。多个错误可以相互配合,互相没有矛盾,当然它们最终还是和正确部分相矛盾,但可以把矛盾推到不容易察觉的角落。这样可以把运转不顺畅压缩到很小,系统就能比较顺畅地循环下去。
这时候也不容易识别和清除错误。因为一组大大小小错误像藤葛一样相互支持,其内部自洽,改掉一个对整体没多大影响,要把相当一部分错误都改掉之后才有明显变化。中间看不出效果的时候,很容易放弃。而且,错误之间自洽,只改一个反倒可能引起矛盾,造成更大不顺畅。而一旦放弃,改掉的部分又会很快恢复原状,因为整组错误自洽,恢复原状会更为顺畅。
多种错误互相关联、互相配合、互相支持,盘根错节,形成互相支撑的整体,滚成一个大疙瘩,这就是情结。此处也有集的意思,错误的聚集。
2.5. 情结是深层意识中的结
“结”已经把习和集两个意思都包括进去了。情结是深层意识中的结,比表层意识中的结更顽固,惯性更强。表层意识的错误没有多大力量,认识到之后很容易改正。情结是深层意识中的结,是深层意识中的错误聚集在一起、相互关联、相互支持而成。这种错误很难改,因为深层意识本来就是按本能和习惯运行,学习能力低下,即使表层意识已经认识到错误,仍然很难改变深层意识的本能。深层意识按习惯模式走,越走越熟,越走越习惯,被牢牢锁定在固定路径中出不来。所以,情结含有深层、顽固的错误或习惯聚集起来的意思。
有些错误是深埋在潜意识里的。本文说的深层意识是指比理性思维深的意识活动,其中有的仍能感知到,比如情绪,也有深到感知不到的层面,也就是潜意识层面。这个层面上的错误更是难以发现和改变,会一直按本能和习惯运行下去。潜意识中的错误,深层意识中的错误,表层意识中的错误,深度不同、大小不同的众多错误聚集在一起,形成相互关联、相互支持、盘根错节的大疙瘩,就会表现出明显的心理疾病。
2.6. 现行循环是巨大的情结
《了别识缘起》以现行循环为中心重新解释了唯识学中的一些概念。可以看出,此框架足以解释世间现象如何缘起。这个解释与传统唯识学有两点不同:1,没有八识变现的外境;2,现行循环是核心概念,这在传统唯识学中没有。两点其实是一点,因为现行循环在执行模拟外境的功能,取代了外境的作用。
现行循环持续缘起世间幻觉,让我们以为有真实的世间。在觉悟者看来,这是把幻觉当真实,和精神病患者一样,如同演若达多。精神病人的幻听幻视是由严重的情结造成的,世间幻觉是由现行循环造成的,现行循环的作用相当于情结,可以说它就是一个巨大的情结,深入到比潜意识更深的层次。
情结以错误的认知为基础,但在一定范围内错误相互配合、相互支持顺畅运转。同理,现行循环必然是以错误认知和执取为基础,错误和执取让了别识走上错误的模式,形成现行循环造成世间幻病。这些错误认知和执取隐藏极深,配合极严密,几乎找不到,这就是无明。错误认知和执取造成现行循环就是无明缘起。
消除错误认知和执取,就能消除这个情结,不再有世间的幻觉。这就是疾病痊愈,解脱生死。佛经中处处说此身如病、如痈、如疮。生死是病,世间是病,身体是病,要解脱生死,无世间也无身体,病才能好。
世间是巨大的谎言体系,谎言体系都有罩门
3. 迷局比喻
3.1. 世间是终极迷局
情结是多种错误的聚集,多种错误互相关联、互相配合、互相支持,盘根错节,形成互相支撑的整体,滚成一个大疙瘩,这就是情结。情结深藏在潜意识中,其形象模糊不清。我们再看另一个多种错误相互配合、相互支持的例子。
《百法明门论》的十小随烦恼心所“一忿、二恨、三恼、四覆、五诳、六谄、七憍、八害、九嫉、十悭”,其中覆、诳、谄都跟谎言有关。
“云何覆?谓于过失隐藏为性。谓藏隐罪故,他正教诲时不能发露。是痴之分。能与追悔、不安隐住所依为业。
云何诳?谓矫妄于他诈现不实功德为性。是贪之分。能与邪命所依为业。
云何谄?谓矫设方便隐己过恶,心曲为性。谓于名利有所计着。是贪痴分。障正教诲为业。复由有罪不自如实发露归忏,不任教授。”[3]
覆是隐瞒过失,谄是隐藏内心的过失和恶意,诳是诈现不实。三者都属于欺骗,但形式和不同。
顺着这一思路,可以根据虚构程度不同把诳细分为不同三个层次:忽悠、欺骗、骗局。忽悠是夸大和隐瞒部分事实,但不虚构事实。一旦虚构事实就不是忽悠而是欺骗了。初级的欺骗是虚构一个或少数事实,容易被识破。高级的欺骗是虚构一组可以相互印证的事实,看起来很真实。比如诈骗套路,就是一套精心设计的谎言体系,环环相扣,让人感觉很真实。这就是骗局,简称“局”。
谎言体系内部能够互相印证,设计得越精巧、相互印证越多,越显得真实。但谎言都有漏洞,戳穿后再看,不过是一堆相互印证的谎言而已,再怎么精巧合理,终究是谎言。
佛教说三界虚妄,就是说,从终极观点看世间是虚妄的,经不住彻底的检验。借用“局”的概念可以更好理解这一点。“局”是相互印证的谎言体系,世间虚妄,并没有真实的世界,只有一套幻觉机制维持着“如果真有世界,我们所应有的感觉”。因为根本没有世界,所以,“让我们以为有世界的感觉”都是谎言。这套机制非常缜密,所维持的幻觉构成一套相互印证的谎言体系,普通人多生多劫沉迷其中,也没有机会发现真相。这就是一个“局”,“世间迷局”,众生深陷局中,不能自拔。六道五趣,进入某一道就是进入了一个局,趣就是进入的意思。世间现象看似相互印证、看似合理、看似真实,最终这些相互印证、合理、真实都没有意义。谎言编织得再好,最终还是谎言,世间看似真实,最终还是虚妄。
3.2. 谎言体系都有罩门
任何一个“局”,不管它建立了多么复杂的相互印证关系,都有一个或一些环节无法自圆其说,要靠掩盖和迷惑才能不被发现。只要找到它,把它揭示出来,庞大的体系瞬间瓦解,变成一堆支离破碎的谎言。世间迷局也是一样,99%以上都可以互相印证,但所有这些都立足于一些虚假的基本点上,只要把这个基本点抽掉,世间的真实感立刻坍塌,变成一堆虚妄分别。找到这个点,识破它,让世间迷局崩溃,这就是智慧和开悟。
迷局比喻的优点是能把“谎言体系必然存在漏洞,戳破漏洞,庞大体系瞬间变成一堆谎言”清晰揭示出来。小说和网络游戏也可以比喻看起来很真实,其实是编造的体系。好的网游能让人感觉身临其境。好的小说在细节上必须合情合理,经得住推敲,这样才有真实感。比如《红楼梦》,研究越深,越能从中发现很多隐藏的细节,越觉得它经得住推敲。但小说和网游,并不需要读者和用户信以为真,不需要消除所有漏洞,因而不能揭示出虚假和漏洞的关系。迷局不同,骗子为了引人上当,要尽可能弥补漏洞。但假的终究是假的,谎言体系编造得再好,也会有漏洞,就像武侠小说中的罩门,功夫越厉害,罩门越薄弱,一旦被点中,立刻功力尽失,甚至丧命。而且罩门不能消除,只能遮掩。
3.3. 无明是没有看穿谎言的智慧
迷局是谎言体系,谎言体系一定有漏洞,一旦被看破则立刻崩溃,成为一堆支离破碎的谎言。换而言之,谎言体系存在和运转的前提是被骗者看不到它的漏洞,看不出它是一堆谎言。有时候被骗者并非完全没有意识到谎言,但贪念蒙蔽了智慧,让他选择相信。所以,谎言体系一定要以被骗者的糊涂、没有智慧、贪心为前提。
同理,面对世间迷局,人们之所以看不破,一是缺乏智慧,看不出迷局的漏洞。二是被贪爱蒙蔽,不愿意接受世间是假的,不愿意全力发现其漏洞。世间有那么多美好的事物,怎么舍得放弃呢?贪的反面是嗔,自己所憎恨的人和事,如果都是假的,那憎恨岂不是没有意义?但憎恨总有原因,怎么放得下?可见,人把世间迷局当成真实,也需要以糊涂、没有智慧和贪爱等等为前提。无明并不神秘,无明就是糊涂、没智慧,反过来说,明就是智慧。
3.4. 无明是愚痴和自我欺骗
世间是个迷局,是个谎言体系。现行循环造成了世间幻觉,它就是世间迷局的建造者,或者说现行循环本身就是世间迷局。我们的心识不仅是世间幻觉的接收者,同时还是世间迷局的编织者。心识自己就是做局的骗子,编出谎言来骗自己,再自己相信。何等愚痴!
迷局比喻把骗人者和被骗者分开,便于分析这件事,然后再说骗人者和被骗者其实都是心识自己。只讲情结和现行循环,欺骗和被欺骗这层意思不容易展开。从欺骗和被欺骗的角度可以对无明有更深的认识。相信谎言的前提是愚痴无智,看不出是假的;自己编谎言自己当真,则更是愚痴无智。由于愚痴无智,才会把自己编的谎言当真;由于无明,才会把自己心识创造出的世间幻觉当真。所以,无明就是愚痴无智,是深层意识的愚痴无智。无明缘起就是说心识由于愚痴无智创造出世间幻觉,并把幻觉当真。
前面类比情结解释无明缘起是把无明解释成错误认知,错误认知造成现行循环;这里把无明解释成愚痴无智,愚痴无智造成自己编谎言骗自己。文字不同,意思相通。错误认知必然因为愚痴无智,愚痴无智必然造成错误认知。愚痴和错误都不神秘,就是我们通常所说的愚痴和错误,只不过是更深意识层次的、更严格意义上的愚痴和错误。所谓严格意义,比如,一般人不把小的错误认为是错误,普通人容易犯的错误,一般也不会被看成是愚痴,但在严格意义上,微细错误也是错误,犯容易犯的错误同样是愚痴。
行是微细现行循环
4. 无明缘行解释
4.1. 现行循环细化为十支
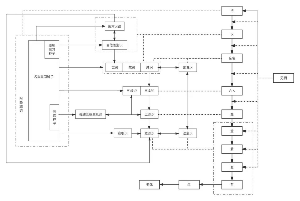
情结和世间迷局比喻可以从总体上解释无明如何缘起一切世间法。《了别识缘起》把现行循环细化为25识,每个识都是一个相对独立的子循环。《摄大乘论十一识的解释与十二缘起》在阿赖耶识及25识与十二缘起的后十一支之间建立对应(如下图)。行支对应作为种子的阿赖耶识,识到有八支各自对应某个子循环。生和老死支从属于有支。这样就把现行循环细化成了识到老死的十支。无明缘起现行循环也就是无明缘起后十支。

AI解释:
此图展示了《摄大乘论》中十一识与十二缘起之间的对应关系,旨在详细说明无明如何缘起一切世间法。以下是对图中各要素及其关联的解释:
一、总体结构
- 无明:图中虽未直接列出,但作为十二缘起的起点,是无明缘起后十支的根本。
- 阿赖耶识:对应行支,是业力种子的总和,储存了名言、我见、有支等熏习种子。
- 十一识(或二十五识):对应从识支到有支的八个环节,每个识都是一个相对独立的子循环。
- 生和老死:从属于有支,表示有支业力成熟后产生的具体生命过程。
二、详细对应关系
- 行支 → 阿赖耶识及种子
- 行支是业力行为,这些行为熏习成种子储存在阿赖耶识中。
- 图中列出三类种子:
- 名言熏习种子:负责概念、语言等分别作用。
- 我见熏习种子:导致我执、自我意识。
- 有支种子:引发生死轮回的业力种子。
- 识支到有支 → 各了别识(子循环)
- 这些识是阿赖耶识种子现行所显现的具体了别功能,对应十二缘起中识支至有支的八个环节:
- 识支:可能对应意识识或意根识,表示基本的了别功能。
- 名色支:可能对应五根识(眼耳鼻舌身)和五尘识(色声香味触),构成身心世界。
- 六入支:可能对应处识,指六处(六根)作为认识产生的处所。
- 触支:可能隐含于受支或单独对应触识(图中未明确)。
- 受支:可能对应受者识或彼能受识,领纳苦乐等感受。
- 爱支:可能由我见熏习种子引发,产生贪爱。
- 取支:可能对应执着、追求等心理活动。
- 有支:对应善趣恶趣生死识,表示业力存在,决定未来轮回趋向。
- 图中列出的其他识(如世识、数识、法尘识等)进一步细化了这些环节,共同构成复杂的现行循环。
- 这些识是阿赖耶识种子现行所显现的具体了别功能,对应十二缘起中识支至有支的八个环节:
- 生和老死 → 从属于有支
- 有支的业力成熟后,显现为具体的生命出生(生)和衰亡(老死)。
- 图中将生和老死单独列出,表明它们是有支的直接结果。
三、缘起过程
- 无明缘行:无明引发业行,熏习成种子储存在阿赖耶识。
- 行缘识:种子现行,展开为各种了别识(对应识支至有支)。
- 有缘生,生缘老死:有支的业力导致生命诞生和终结,完成一轮轮回。
四、理论意义
- 此图将抽象的缘起循环细化为具体的识的运作,揭示了轮回的微观机制。
- 强调阿赖耶识作为种子库的核心作用,以及各识之间相互缘起的网络关系。
- 指出解脱的关键在于断除无明,使种子不再现行,从而跳出轮回。
4.2. 行的三种解释
4.2.1. 行是种子
行支有三种解释。第一,行就是种子。如上面十一识对应十二支,就是以种子为行。以后十支对应十一识,行支只能对应种子。这样解释有经典依据。一,行是迁流义,而“一切种子如暴流”,从字义上看可以把行解释为种子。
二,《杂阿含经二九八》说:“缘无明行者,云何行?行有三种——身行、口行、意行。”这里的身口意行应该解释成身口意三业,行也就是业,业就是种子。如果解释成三种行为就和行支在十二缘起中的位置不相称了。三世两重因果解释认为行是过去所造的业,行是业行。
三,在吴支谦译《贝多树下思维十二因缘经》中在两处分别用了两个不同的词说行支,“殃种”和“作行”。
“便复思惟念,是何等无有则识无有?何等尽复识尽?便复思惟案本念,得是应意,无有殃种识亦无有,殃种已尽则识尽。
便复思惟念,何等无有为殃种无有?何等尽为殃种尽?便复思惟念本,得应意,无有痴亦无有殃种,痴已尽则殃种尽。
殃种已尽识尽,识尽名像尽,名像尽六入尽,六入尽更尽,更尽痛痒尽,痛痒尽爱尽,爱尽成就尽,成就尽有尽,有尽生尽,生尽老死尽,忧愁苦不可意剧便尽。如是最无有量苦阴便尽。”
“佛告诸比丘。我亦如是。得故道所。佛本从是行者我便随。已随便知老死从所。亦知老死从聚。亦知老死何尽。亦知老死何行得度世。知生亦尔。知有亦尔。知受亦尔。知爱亦尔。知痛痒亦尔。知更亦尔。知六入亦尔。知名像亦尔。知识亦尔。知作行亦尔。知痴亦知痴从生。亦知从何痴灭。亦知何行除痴度世。”[4]
作行与身口意行相似,而殃种这个词很有意思,类似业种。此经翻译时唯识学还没有在印度出现,汉译中却出现了这样的词。
4.2.2. 行是微细现行循环
第二,行是微细现行循环。因为十二支缘起属于小乘教法中的集谛,集谛讲的是增上缘缘起,所以行支不应该包括种子,应该是与生起现行有关的“行”。可以解释为微细的现行循环。这样解释更符合小乘通过切断增上缘缘起而解脱生死的总战略。
这样理解也有依据,有些经只讲到识,不讲行,说明行支不是必须的。比如,《大因经》中没讲无明缘行、行缘识,而是识缘名色,名色缘识,构成了一个相互为缘的循环,由这个循环再缘起后面各支。
“阿难!若有问者:‘识有缘耶?’当如是答:‘识亦有缘。’若有问者:‘识有何缘?’当如是答:‘缘名色也。’当知所谓缘名色有识。阿难!若识不得名色,若识不立、不倚名色者,识宁有生、有老、有病、有死、有苦耶?”
答曰:“无也。”
“阿难!是故当知是识因、识习、识本、识缘者,谓此名色也。所以者何?缘名色故则有识。
“阿难!是为缘名色有识,缘识亦有名色,由是增语,增语说传,传说可施设有,谓识、名色共俱也。[5]
《贝多树下思维十二因缘经》中亦说:“名像因缘识,亦识因缘名像。名像因缘六入,六入因缘更,更因缘痛,痛因缘爱,爱因缘受,受因缘有,有因缘生,生因缘老死,忧哭苦不可意愁从是致有。”《杂阿含经二八七》与《贝多树下思维十二因缘经》是同经异译。该经这里也只讲到识,没讲名色缘识。而《杂阿含经二八八》讲了识缘名色、名色缘识,而且举芦束相依为喻。可见,不是传抄失误。
4.2.3. 行是一切行
第三,行支是一切行,相当于诸行无常的行,既包括种子也包括现行。这样解释也有依据。比如,经中有时把十二支缘起简化成“无明缘行,乃至纯大苦聚集”,这可以理解为十二支顺次缘起的简化表述,也可以理解为十二支缘起可以简化为无明缘行,把后面各支理解为行支的细化。
在十二缘起中,行是最先缘起的,按理应该很微细。但在五蕴中,色受想行识,行基本等于思,这个行还是十二缘起中的行吗?又说诸行无常,行又包括了一切事物,更不是微细难知的样子了。这几处完全不同的形象,何以都称为行?这几处行是同一个吗?如果行含摄一切世间法,则以上几种说法都是在说同一个行。
以上三种解释都说得通。个人认为,从小乘的观点理解十二缘起,行应该不包括种子。从大乘观点理解,行应该包括或者就是种子。本文讨论无明缘起现行循环,对应了不包括种子的解释。第一种解释需要另文讨论。两种情况都解释清楚了,第三种也就清楚了。
4.3. 行支的微细现行循环解释
按行是微细现行循环的解释,无明缘起现行循环,是先缘起微细现行循环,微细现行循环再辗转扩展成整个现行循环。行就是最初最微细的现行循环,无明缘行是从0到1,后面各支是在行的基础上层层细化逐渐扩展的过程,是从细到粗、从简到繁的关系。
什么是最初最微细的现行循环呢?八识中以末那识最像。《摄大乘论》说:“云何得知有染污意?……又无想定与灭尽定差别无有,成过失故。谓无想定染意所显,非灭尽定;若不尔者,此二种定应无差别。又无想天一期生中,应无染污成过失故。”[6]无想定的时候前六识不起,这和入灭尽定有什么差别?差别在于染污意,无想定虽灭六识但还有染污意,是染污意所显,故不同于灭尽定。生入无想天,一期生命中六识不起,如果没有染污意,则无想天就无染污了,这也不对。可见,染污意是隐藏最深、最难根除的染污,即使其他识的染污都消除了,只要还有染污意,最后都会再回来。如治病不除根,过后还会复发。染污意就是染污的根源。
为什么染污识是染污的根源呢?《摄大乘论》说:“染污意与四烦恼恒共相应:一者、萨迦耶见,二者、我慢,三者、我爱,四者、无明;此即是识杂染所依。”[7]就是说,染污识恒与我见、我慢、我爱、无明四烦恼相应,依此而有诸识杂染。
十一识中的自他差别识似乎是比末那识更基本的微细现行循环。因为建立自他差别是建立所有其他影像和模型的基础,也是末那识执取人我法我的基础。
最基本的是自他差别识或染污识,这是从0到1的第一步,然后再染污其他识。微细到这个程度,基本的逻辑结构不变,仍然是愚痴无智和错误知见造成了最基本、最原初的现行循环,然后再辗转成为庞大的现行循环。这样解释,则自他差别识或染污识就是最基本的微细现行循环,就是行。
这个解释的优点是突出了染污识和自他差别识与无明的关系,以及它们在无明缘起中的关键地位。
由于愚痴生起现行循环
5. 延伸讨论
5.1. 解脱生死
从幻觉说可以知道世间是梦幻,有梦幻中的生死,解脱生死就要不入梦幻。怎样才能不入梦幻呢?理解了十二缘起,特别是理解了什么是无明缘行,则解脱生死的技术路线就清楚了。消除无明,也就是消除愚痴和深层次的错误认知,就可以解脱生死,即所谓“无明灭则行灭,行灭则识灭,识灭则名色灭,名色灭则六入灭,六入灭则触灭,触灭则受灭,受灭则爱灭,爱灭则取灭,取灭则有灭,有灭则生灭,生灭则老死忧悲苦恼灭”。
无明是愚痴无智和错误认知,无明缘行就是由于愚痴和错误而由小到大生起现行循环。十二支缘起只涉及现行生起的过程,不涉及种子。有种子没关系,只要彻底消除愚痴和错误,现行循环就失去了关键条件,于是不再生起现行,就不再有梦幻,不再有梦幻中的生死。这就是解脱生死。
5.2. 阿罗汉与辟支佛的关系
解脱生死以幻觉说为基础,如果世间不是幻觉,则不可能有解脱生死这件事。在操作层面,解脱生死的关键是破无明。破无明,则现行循环失去生起条件,无法生起世间,于是不受后有。所以,即使不知道原理,只要按照佛说的方法断除烦恼,使现行循环无法生起,自然能解脱生死。达到这个境界的人,只是断了烦恼现行,不需要改变种子,也不需要把十二支缘起的每个环节都搞清楚,也不能显示神通,甚至不需要知道解脱生死的原理,只是按照佛说的去做。比如,有部有明显实执,但即使这样,也可以修行证果。因为虽然原理解释不对,但只要按佛说的做,依然可以证果。
经中反复说“悟十二缘起成辟支佛”。按三世两重因果解释不可能有这个效果。按本文解释的十二缘起,如果能一一证到,自然能达到这个效果。佛的大弟子中当然也有人能完全掌握十二支缘起,境界相当于辟支佛,但仍属声闻。辟支佛必须靠自己一路证过来,每一环节都要搞清楚,所以虽然都是解脱生死,但辟支佛的境界比阿罗汉高。
小乘不需要知道唯识无境。虽然理解解脱生死的原理需要有唯识无境的知见,但证果只需要按佛说的方法实修,不需要知道原理。辟支佛要自己走通这条路,所以不仅要知道原理,而且要把所有细节都搞清楚,才能自己摸索出方法。十二缘起不仅讲了唯识无境,而且把境界如何现行的过程描述出来了。故辟支佛应该已经悟到唯识无境了,但不需要知道种子和阿赖耶识,阿赖耶识才是大乘与小乘的区别所在,唯识无境不是。
5.3. 大乘境界
现行循环不再生起是什么境界?阿赖耶识还在,种子还在,但不生起现行。二乘涅槃是这样一种境界。
这是一个不彻底的解决方案。阿罗汉和辟支佛停在这个境界不出来。彻底的解决方案是转种子,转染污了别识为清净了别识。转种子类似于淘干大海的工程,成功的关键是证悟般若。《大意经》中讲大意菩萨的如意珠被龙王夺走,他拿出一个勺子要淘干海水,找回如意珠。[8]般若就是淘干海水的勺子,只要有了确实能一勺一勺淘干海水的办法,哪怕勺再小,最终也能把海水淘干。这就是菩萨精神。
依般若智证知世间一切皆幻皆空,然后再熏习种子就是清净种子了。当清净种子多到一定程度时,就能生起清净现行,逐渐转八识为四智。转识成智并不是没有八识,而是染污识转为清净智。甚至幻觉也仍然存在,但却是知其为幻而方便安立。
这是另一条路,不是从世间幻觉解脱出去,而是转染污为清净。有的经说阿罗汉如焦芽败种,不能再行大乘道了,所以大乘行人最重要的是不能退转为小乘。《法华经》则说涅槃只是化城,阿罗汉最终还是要从化城出来行大乘道。其实,如果真的证悟如幻,再入生死也不是那么可怕。
2021年8月10日星期二
2021年9月28日星期二,有比较大的修改,用情结类比现行循环解释无明。
2021年10月2日星期六,无明缘行部分独立成此文
2021年10月11日星期一,理顺了无明缘起现行循环与无明缘行的关系,完成文章
随记
读过较多佛经的人都知道“苦习尽道”,这个词出现频率很高,远多于现在常见的译法“苦集灭道”。其中,苦谛、道谛、尽谛都好说,唯一难解的是习谛,现在常用译法是“集”,“习”和“集”的意思差异太大,怎么会是从同一个词翻译过来的呢?这两个意思怎么能联系到一起呢?实在想不明白。所以,虽然很早就知道“苦习尽道”是“苦集灭道”的另一种译法,而且出现频率比“苦集灭道”高,但一直不知道是什么意思。实际上,如果追问苦集灭道的集是什么意思,也不好解释,佛学书上有,但似乎不很贴切。尤其是又有习这种译法,更难贴切解释了。
2021年五一,去苏州甪直古镇张林禅寺启动大众阅藏活动。著名的碛砂藏刊刻地“碛砂延圣寺”距离这里只有两公里,但现在只剩下一座位于高速公路绿化带中的小寺了,且不是原址,原址在高速公路下边。第一天参观了碛砂延圣寺,无限感慨。第二天上午是启动仪式,住持道远法师和当地领导讲话后开始诵经,从《短篇佛经汇编》第一篇《大迦叶本经》[9]诵起。我已经不知道第几次诵这部经了,每次活动都从这部经开始。当诵到“如诸佛法,察其根源,而分别说苦、习、尽、道。即于坐上远尘离垢,诸法眼生,现在获度,睹见法源,分别经典,拔于狐疑,得立果证。”忽然灵光一现,把习和集联系起来了!念了不知道几千遍的“苦习尽道”,还可以这样解释!“书读千遍其义自现”,信然!
仪式结束后,我介绍大众阅藏,中间讲了刚刚领悟到的“苦习尽道”,反响很好。只是这个话题讲起来复杂,五一之后直到今天,才静下心来写。
2021年8月10日星期二
随记
这篇文章按最初领悟到的以情结解释习和集的思路写下来,完善过程中加入了事件循环与实体、现行循环、现行循环就是行、无明缘行的解释等。最后结果超出了我最初的预料,主要是无明缘行的解释,与我在《十二支缘起的唯识古义阐释》中所想的完全不同。那里的行是广义,包括所有生灭法,而这里取狭义,只包括现行,不包括种子,而且是无明染污的现行。这里的解释更清晰简洁,对如何解脱生死的指导更强。十二支缘起是解脱生死的法,这样解释行与此更相符。
2021年9月25日星期六
《什么是实体?什么是生住异灭?》《了别识缘起》《十二支缘起的唯识古义阐释(二)》,这三篇文章磨得时间比较长,等多个线索慢慢凑齐才写出来。大约在2014年,讨论知觉相都是假名的时候,写到后来意识到知觉相是遍计所执,相分都是遍计所执,然后自然就有识如何缘起的问题。2018年已经有比较明确的了别识转变的图景了,当时想写“诸识转变”,但开了个头写不下去,一停就是3年。现在回看,当时一个关键基础还没建立,就是循环的概念。直到今年上半年,偶然想到“在唯事件的观点下,实体是怎么回事?”于是有了循环的概念。有了这个基础,五一期间又把习谛想通了,觉得可以写篇阅藏分享说说习谛,写起来发现很复杂,不是一两千字能讲清楚。渐渐决定写成唯识古义系列的文章。最后一篇裂解成三篇,加起来三万多字。
习谛就是集谛,当时用情结来把这两个差异很大的意象统一了起来。回查以前文章,在2013年的草稿中就讨论过情结,而且那篇文章同时讨论了世间迷局,那时就把这两个比喻放在了一起。当时在佛学院讲课,一边讲五十一心所,一边讨论,讨论了很多意识如何流转、知觉如何生起、知觉引擎如何工作等等。当时也讨论到了循环,但当时关注点是影像如何生起,讨论循环也是为了解释影像生起。后来觉得那些内容属于应用,想另集一本书,先集中精力讨论基本理论,便放下了。就是说,有些思路在2013年已经有了。
这次写文章的过程中,我想引用《摄大乘论》11识一段作为支持现行循环的论据,结果越讨论越细。十几年前写《略论唯识学的世界观》的时候(2007年以前),就一直感觉阿赖耶识中一定有一些支持现行的种子聚集,器世间也是这样的种子聚集在维持着。2013年写知觉如何生起,也讨论过种子聚集的问题。这次发现11识描述的正是种子聚集的图景,而且相当详细。3年前写“诸识转变”时,引用过11识这段,但当时没有办法深入。这次有了现行循环的概念,种子聚集得以落实,对了别识缘起想得更清楚,理解更为深入了。
最后一个要解决的问题是十二缘起中无明和行的解释。2014年,写《十二支缘起的唯识古义阐释》时,这两支解释得不好。这次引入情结的比喻来解释,觉得严丝合缝,应该就是这样了。2013年,讨论情结的时候,并没有想到现在这么深。但具体写的时候还是有些细节需要处理,最后对行给出了4种解释,概念不确切也是一直理解不好无明缘行的原因。此次梳理之后,发现各种解释最后结果差不多,都是愚痴造成现行循环,只要大方向不变,具体怎么定义无明和行问题不大。
2021年10月12日星期二
[2]CBETA 2022.Q3, T02, no. 99, p. 224c16-24
[3]CBETA 2022.Q3, T31, no. 1613, p. 853b12-c1
[4]CBETA 2022.Q3, T16, no. 713, p. 827a11-b13
[5]CBETA 2022.Q3, T01, no. 26, pp. 579c23-580a3
[6]CBETA 2022.Q3, T31, no. 1594, p. 133c12-19
[7]CBETA 2022.Q3, T31, no. 1594, p. 133c7-9
[8]CBETA 2022.Q3, T03, no. 177, pp. 446a26-447c18
[9]CBETA 2022.Q3, T14, no. 496, pp. 760a15-761b26